034220


診察室 - セドリック / グロリア 230 ハンドブック掲示板 -
更新  □ ホーム  □ ヘルプ  □ 検索  □ 過去ログ

230型 セドリック / グロリアを中心に車両不具合相談を受け付けます。トラブル体験談やクルマ以外の書き込みもお気軽にどうぞ。
【お願い】
車両不具合相談での初回書き込みの際、原因の絞り込みを容易にするために、対象車両の仕様情報を必ず添えてください(カルテ等の管理まではしていないので、常連の方もできるだけ案件単位でご協力ください)。


  1. 車名とグレード(カタログやエンブレムなどの標記 例. セドリックGX、グロリアスーパーデラックス)
  2. 車両型式(車検証やモデルナンバープレートの打刻型式 例. 230、H130)
  3. 年式(車検証の初度登録年月など 例.1973年3月)
  4. エンジン型式(車検証やモデルナンバープレートの打刻型式 例. L20、VG20E)
  5. ミッション種類(例. 4速コラムMT)
  6. ボディータイプ(例. 4ドアセダン)

その他車両不具合相談に関するルールについては、「診察室(掲示板)ご利用の関するお願い」をご覧下さい。
ご相談の書き込み後、管理人がレスするまでに一週間程度の時間をいただく場合がありますのでご了承ください。
回答した案件については、今後の回答精度向上のため後日その結果報告のご協力をお願いします。
管理人 ながた

※ホームページ:http://cedglo230hb.kilo.jp/



投稿者
e-Mail
タイトル
削除キー (半角8文字以内)
内容
  • PC版ではコメントエリアを広げることができます(エリア右下の角をドラッグ)。
  
File
  • アップ可能拡張子: /.gif/.jpg/.jpeg/.png/.mid/.mp4
  • 太字の拡張子は画像として認識されます。
  • アップ可能ファイルサイズ:5000KB
  • 1回の投稿でアップできるファイルは1個です。
文字色

[No.699]   吹き出し口切り替え修理
投稿者: 団長(岡山管区)   (2025/05/25(Sun) 22:19:59)
こんばんは。団長(岡山管区)です。空調吹き出し口切り替え不良の原因特定及び修理が完了いたしましたので、報告させていただきます。
結論としては「インテークドアダイヤフラム制御用ホースの裂け」でした。

暑くなる前にと重い腰をあげ、インパネを総バラシしインテークドアボックスをブロアファンモータより取り外し。
「どっちのダイヤフラムがダメなのかな〜?」とインテークドアダイヤフラム中央のホースを引き抜こうとしたら、ダイヤフラムに差し込まれていたホースの根本部分が「くぱぁ」と裂けておりました。
ただ、差し込まれている状態では裂けているのが殆ど見えない状態。
ですので、ボンネット内のレッドホースをインマニ直結(負圧が強くなる)にすると、切り替えが作動していたものと思われます。

ホースの裂けている部分を切り飛ばしてダイヤフラムに接続、無事に吹き出し口の切り替えは作動するようになりました。
ダイヤフラム自体は何の問題も無いようで、とりあえずは一安心しました。

とは言え、ホースが裂けていたとなると「劣化している」のは明白な訳でして・・・。
室内側は劣化しにくいのは確かですが、47年も経てば劣化していても何ら不思議ではありません。引き直す時期に来ているのかも知れませんね。
インパネバラシ、たいぎい・・・。※岡山・広島弁で「面倒くさい」の意

またまた随分な遠回りにはなりましたが、無事に修理を完了することができました。厚く御礼申し上げます。



PXL_20250426_062743673.jpg
/305KB

[No.698]   抵抗値は残念ながら??
投稿者: きたばやし   (2025/05/25(Sun) 19:58:42)
ながたさま>そうです、フルトラ本体は室内にある古いタイプです。S30系フェアレディZも同じフルトラ仕様のようです。(というかコイル品番は-N4201などでS30用です)レジスターの単体抵抗値は1.4Ωでした。コイルの基準値がどこにも載っておらず正常かどうかわからなかったのですが、一般的には3Ωか1.5Ωが多いようなので、大丈夫なのか気になった次第です。
あと、EGI車は詳しくないの間違っているかもしれませんが、ACCリレーは多分EGI車もキャブ車も共通で、IGNリレーも入った1M×2回路のタイプがリレーボックス内にあります。

つむさま>ブロアモーターの管ヒューズの上下とも青線で、上流側で太い白青線につながるのですが、それはインパネ下のACCリレーからエンジンルーム内ヒューズブロックへつながるACC電源線と思われますので、そのあたりはおそらく純正状態ですが、それ以外に分岐があるなら後付けと思われます。
画像のとおり、私の場合はヒューズホルダ下流側のギボシ端子が劣化していました。ヒューズも過電流と言うより端部が溶断しており、ヒューズ切れは目視できず、取り外してわかりました。
モーター下流側ですが、念のためスイッチ周りの点検もしておいた方がいいと思います。特に前期型はあまり強くなさそうなYPC型コネクタが使われており(331後期以降は250型端子も併用)、溶損したのかスイッチ部のコネクタを作り直した車を以前見たことがあります。エアコンスイッチを外さなくても、インパネやラジオををある程度ばらしていればなんとか見えると思います。

なお、近くにあった単独ヒューズは、
デフォッガー(15A)
トランクオープナー(20A)
フォグランプ(10A)(ランプがなくても回路は有り)
と思います。また黒い物体はおそらく逆流防止用ダイオードで、インパネ裏ならインヒビターリレー用かパーキングアラーム系統かと思います。裏側にダイオードの記号が入ってないでしょうか?遅延作動ルームランプ付き車ならトランクルーム右側ヒンジ付近に似たようなものが4つぶら下がっています。



08.jpg
/47KB

[No.697]   レス
投稿者: ながた(管理人)   (2025/05/24(Sat) 23:47:28)
きたばやしさん>サイトの内容は整理されたのですね。ファンモーターの配線溶損系だったと思ったので探してみた次第です。Webサイトは20年以上運営していると、画像のサイズが違いますね。当サイトも初期は20万画素のカメラで撮影して、JPGファイルは約20kBのものを更に小さくして載せていましたから(笑)

IGNコイルの件、きたばやしさんの車両は初期のフルトラなんですよね。確かこの頃のは通電角制御はありません。資料が無いのでコイル抵抗値の基準値が不明なのですが、レジスター付きのコイルはインピーダンスの関係上、コイルを6V用機器として扱うので分圧比が1:1になるよう、「コイルとレジスターの抵抗値は同じ」というのが肝になります。これを踏まえて今のレジスターの抵抗値はどうでしょうか? 0.6Ωくらいでしょうか?
コイルを交換する場合も、レジスターの抵抗値を同じにするのが基本です。抵抗値はそれぞれ1.5Ωでも大丈夫だとは思います。ただ、社外コイルは低抵抗のタイプが結構多いように思います。あまり低いと、電流調整の意味で抵抗値が1:1ではなくなる可能性があります。これは部品供給元の情報を参照する必要があります。


つむさん>ヒューズ切れですか。ちょっと解せないのは先日のモーターの電圧確認で12V来ていましたよね。単純なヒューズ切れなら0Vのハズです。
ここでのコメントは下記A〜Gになります。

A. 管ヒューズをブレードヒューズに変更するのは良いと思います。負荷がこれだけなら20AでOKです。
B. ヒューズ切れの原因を確認しておく必要があります。管ヒューズは劣化で溶断しますので、それなのか、過電流だったのか、ヒューズフォルダーの接触不良だったのか等々。画像を見るとヒューズフォルダーが溶けていたので、それを開いた画像をアップ願います。ヒューズの溶断状況とフォルダの溶損度合いを見たいです。
C. ヒューズが溶断していたのに12V来ていた事について、ヒューズ付近で複数分岐していたとの事なので、電気の回り込みが発生していると思われます(当初の電圧測定部位が正しければ、の話)。
D. 分岐の位置を確認させてください。20Aヒューズの下流でしょうか、上流でしょうか? 「C」の状況からヒューズ下流で複数分岐がある場合、何が接続されているかにもよりますが、また過負荷で溶断する可能性があります。ブロアモーターは210Wなので、単純計算で4速運転で210÷12=17.5Aです。結構ギリギリなので他の負荷を接続すべきではないと思います。
E. モーター下流点検はとりあえず不要のようです。多分下流は問題ありません。上流側はまだ怪しい(つまり再発の恐れあり)です。
F. No.696に貼っていただいた画像の黒い部品は2〜3極の防水コネクターではないでしょうか? 中央に切れ目があります。そこになんでそんなものがあるんだ、とも思いますけど(笑)
G. ハーネス引き直しは私も賛成です。ベストはファンリレー&電源回路増設(違う系統から引き直し)です。
つまり・・・

・ファンモーター専用として20A級のリレー(1Mリレー)を増設する
・増設リレーのコイル側の結線・・・現状のファン電源 ⇒ リレーのコイル ⇒ アース
 ※従来のファンの電源線を増設リレーの信号線として使用することになる
・増設リレーの接点側の結線・・・常時電源 ⇒(なるべく取り出し部分の近くに)20Aヒューズ ⇒ リレー接点 ⇒ ファンモータープラス端子
 ※この系統がモーターの主電流が流れる
・電線サイズは、コイル側は0.2〜0.5sq(つまり結構細い線)でも可、接点側は210Wの負荷に耐えるよう、2.0sq(カー用品コーナーになる巻き線タイプでは一番太い部類)が必須

となります。
常時電源をどこから取るか、少し悩ましいところです。ヒューズBOXの裏面にボルト/ナット止めの端子がありそうですがどうでしょうか。あるならそこから引くのも手です。また、謎の分岐は上記のリレー増設ができれば、そのままでも良いかな、と思います。

回路図をちょっと見た感じでは、EGI車の場合はEGIリレーがACCリレーも内蔵しているような感じです(2Mリレー?)。確かこのリレーは壊れると面倒(製廃)だったハズなのでEGIリレーの負担低減の目的もあり、リレー込みで専用線を作成する方法をご提案します。



[No.696]   331セドリック ブロア故障?について
投稿者: つむ (2025/05/24(Sat) 21:49:20)
連投すみません。

写真赤丸部分の黒い部品は何でしょうか?ゴムっぽい弾力でした。レジスター、ダイオード?でしょうか。

※今回焼けたヒューズは赤色の絶縁テープ部分から伸びてました…恐らく白/青の配線から分岐と思われます。

もし交換したブレードヒューズに異常が発生した場合、配線引き直しを考えてます。エンジンルーム内のACC電源からヒューズ介して引き直したほうが確実でしょうか?

完全に解決したわけでは無さそうなので、様子見ます。



1748090960.jpg
/1760KB

[No.695]   331セドリック ブロア故障?について
投稿者: つむ (2025/05/24(Sat) 21:39:37)
管理人様、結果報告になります。

・20A?管ヒューズ(メーター裏リレーBOX寄りにありました)が焼け切れてました…アンペア数不明
※恐らく接触不良?で発熱と思われます。が、何故か配線が複数分岐していました。(純正では無く後付けでした。)

・管ヒューズが4個くらい付近にありましたので、手持ちのブレードヒューズ仕様に変更しました。20Aヒューズにしました。
※純正でこんなに管ヒューズがあるものなのか?他にも後付した怪しい配線がチラホラありました…

・焼け切れた20A?ヒューズを交換しキーをACC位置で、ファンスイッチ1→4試したところ運転出来ました!しっかり送風されていました。※配線の発熱や異臭など可能な限り観察しましたが、問題なさそうでした。

・今回の焼け切れた20A?ヒューズの配線はバルクヘッドからのハーネス白/青を分岐?してブロアスイッチ青へ接続していたと推測。※深追いしすぎて戻れなくなりそうだったので、これ以上ハーネス剥けませんでした。

・下流側の点検に関しては、ファンスイッチを点検するべきでしたでしょうか?先にヒューズの焼けを発見したので、もしかしてと思いヒューズ交換を優先してしまいました。導通抵抗測定は未実施です…



DSC_0342.JPG
/2573KB

[No.694]   いつもお世話になっています
投稿者: きたばやし   (2025/05/23(Fri) 23:00:01)
ながたさま>とんでもございません。私の書き込みはすっかり減ってしまいましたがいつも皆様との修理問答を参考にさせてもらっています。今や希少な旧車掲示板をぜひ今後も続けていただきたいと思っております。

私のホームページは、素人が色々といじったネタを上げていましたが、不正確な記載も多かったのでそのあたりは整理して、今では残骸だけ残ったような状態です。
確かにその時はエアコンネタも多少ありましたが、今回の症例にはあまり参考にならなかったかもしれません。スイッチを分解したり、ハーネスを引き直した画像とかはアップしていました(添付画像はこれだとどこか分からないかもしれませんがインパネからメーターパネルを外した部分です)。画像解像度の低さが時代を感じますが、もう20年前の話です。

せっかくなので、少し前のIGコイルの話題に乗り遅れたので教えてほしいのですが、私の車(今更ですがC-P331 2800SGL L28シングルキャブ イグナイター別体の純正フルトラ)のIGコイル一次抵抗値が、0.6Ω程度しかありません。長時間運転しても過熱はしないので短絡とかはしていないと思うのですが。
電気系は出来るだけ予防保全に努めたいところなのですが、今後コイルを交換する際には1.5Ω程度の社外コイルでいいのでしょうか?よろしくお願いします。



09.jpg
/33KB

[No.693]   これは大変ご無沙汰です!
投稿者: ながた(管理人)   (2025/05/21(Wed) 22:06:06)
きたばやしさん>こちらこそお久しぶりです。このタイミングという事はちょくちょくココを覗いていただいていると思うのですが、それだけで感謝感激であります(笑)

ブロアファンモーターの仕様変遷等について、情報ありがとうございます。230のときもそうなのですが、基本はエアコンがオプションという背景から、あまり周報や整備書に記載が無いというのも嵌りやすい要因かと思います。実は今回は初報時に、きたばやしさんのサイトに類似の記事があったような記憶があったのでアクセスしてみたのですが、見つけられませんでした。
添付の回路図のありがとうございます。私の回路図は77年6月のM/C時なので、ヒューズ内蔵のようですが描いていないなぁ。リレーはACCリレーでエアコン単独は無いようですね。
また軌道修正が必要そうでしたら教えてください。


つむさん>330系は毎年のように沢山変更があったので大変です・・・ テスタープローブはマイナスはやはりボディーアースなのですね。そうすると電圧測定結果を見ると、点検@は正常のようです。この結果ではリレーもヒューズも正常判定しても良さそうです。点検Bではモーター下流側の電圧が下がる(ゼロとは限らないが)であれば、ある意味正常の挙動とも言えます。
上流側も電圧が落ちるのであれば何かおかしい感じですが、電圧が「0V」の場合はアースに向かって(電圧降下ナシで)電流が流れているのか、単に電気が来ていないのかが判断できませんので、下流側の導通確認(抵抗測定)して結果がどうかです。もし下流回路の導通が正常の場合、モーターを一旦回路から切り離して回路チェックかなぁと思っています(詳細は下流の結果後に考えます)。



[No.692]   331セドリック ブロア故障?について
投稿者: つむ (2025/05/21(Wed) 20:45:13)
管理人様、きたばやし様(初めまして)

情報共有ありがとうございます。

ヒューズの場所がメーター裏にあったとは…
しかも年式によってここまで違うとはやはり侮れないですね。
インパネ外しやハーネス引き直し参考にさせて頂きます。皆様方、頼もしい限りです。ありがとうございます。

管理人様、前提条件について
点検@についてテスターのプラス側はモーターのブラシホルダーで、マイナス側はボディーアースです。プラス側は12Vでしたので正常と判断します。

点検Bでは@の状態からスイッチを操作しました。スイッチ操作で0Vになりました。

導通と抵抗確認実施してみます。
リレーも合わせて確認してみます。



[No.691]   ブロアモーター配線について
投稿者: きたばやし   (2025/05/20(Tue) 22:59:37)
ながたさま、つむさま>

おひさしぶりです。330に乗ってますきたばやしです。

ちょうどブロアモーターの話題になっていますので補足を…
年式により細かい変更が入っていまして、知っている限りですが、

・発売当初(330系)はヒューズブロックの20Aヒューズをラジオ・ヒーターコントロール系と共用
・76年6月以降(331系前期)、ブロアモーターを20Aの単独ヒューズに変更
 (ヒューズの場所はメーターパネルの裏、メーターを外さないと見えないかも)
・77年6月以降(331系後期〜)、単独ヒューズは無くなりブロアモーター組み込みヒューズに変更

周報とかにはあまり書かれていないのですがおそらくこんな感じです。
私のは331前期なので、かつて単独ヒューズが切れるトラブルがあり、ヒューズホルダ下流側端子が劣化していた(下流側の線径が上流側より細いのも一因かと)ので、ブレード型ヒューズに交換してブロアまでの配線を引き直しています。何故こんなところにヒューズを付けたのかと思いながら…
端子の溶損トラブルは割と良く聞きますので、4速をHIリレー化すれば更に安心なのですが、構想のみで今に至ります。
添付の331前期型配線図にはブロアモーターのヒューズの記載があります。ACCリレーは更に上流部です。

…と昔のことを思い出しながら書いてみました。最近物忘れがひどくて、仕事にも色々差し障っています(苦笑)。
インパネの見えないビスの位置ですが、エアコンスイッチの右横に1本、メーター枠を手前に浮かせると見えると思います。また、メーター左下の木目化粧パネルを引いて外せば2本(メーター枠と共締め)あります。今どきの車と違ってビスだらけで大変ですが、修理の成功をお祈りします。




1747749577.jpg
/918KB

[No.690]   状態確認
投稿者: ながた(管理人)   (2025/05/19(Mon) 22:33:39)
つむさん>ブロアモーターはしゃちょさんが貼っていただいた画像とは仕様が違うようです。画像を見ると部品番号の一部が印字されていて、
つむさんの車両・・・Y01 ⇒ 前期
しゃちょさんの車両・・・Y70 ⇒ 後期(多分1977年6月以降)
と思われます。前期はヒューズ無しかもしれません。
それとNo.689の画像はファンレジスターですね。コイル状の抵抗が3つあります。3つは直列に繋がっていて、電気の流れは1速は全コイル、2速は画像の上側2個、3速は画像の真ん中1個、4速は無し(レジスターは通らずスルー)のルートで流れます。
モーターのブラシ間に接続されているのはコンデンサーです。ブラシで発生する火花の吸収が目的です。

で、前提条件が少し分からないので質問させてください。

点検@についてサーキットテスターのプローブを当てた位置なのですが、プラス側はモーターのブラシホルダー付近だと思いますが、マイナス側はどこに当てていますか? ボディーアース?? 
もしボディーアースなら、プラス側はどちらのブラシでも電源電圧(12V)掛かっています。これはアース側にスイッチがあるので、停止中かつ電源供給アリ(電圧は掛かっているが電流が流れていない)ならスイッチのモーター側まではどこを測っても12Vです。

点検Bでは@の状態からスイッチを操作した、という意味でしょうか? @もBもプローブを当てた箇所がどこかで測定結果が大きく異なります。

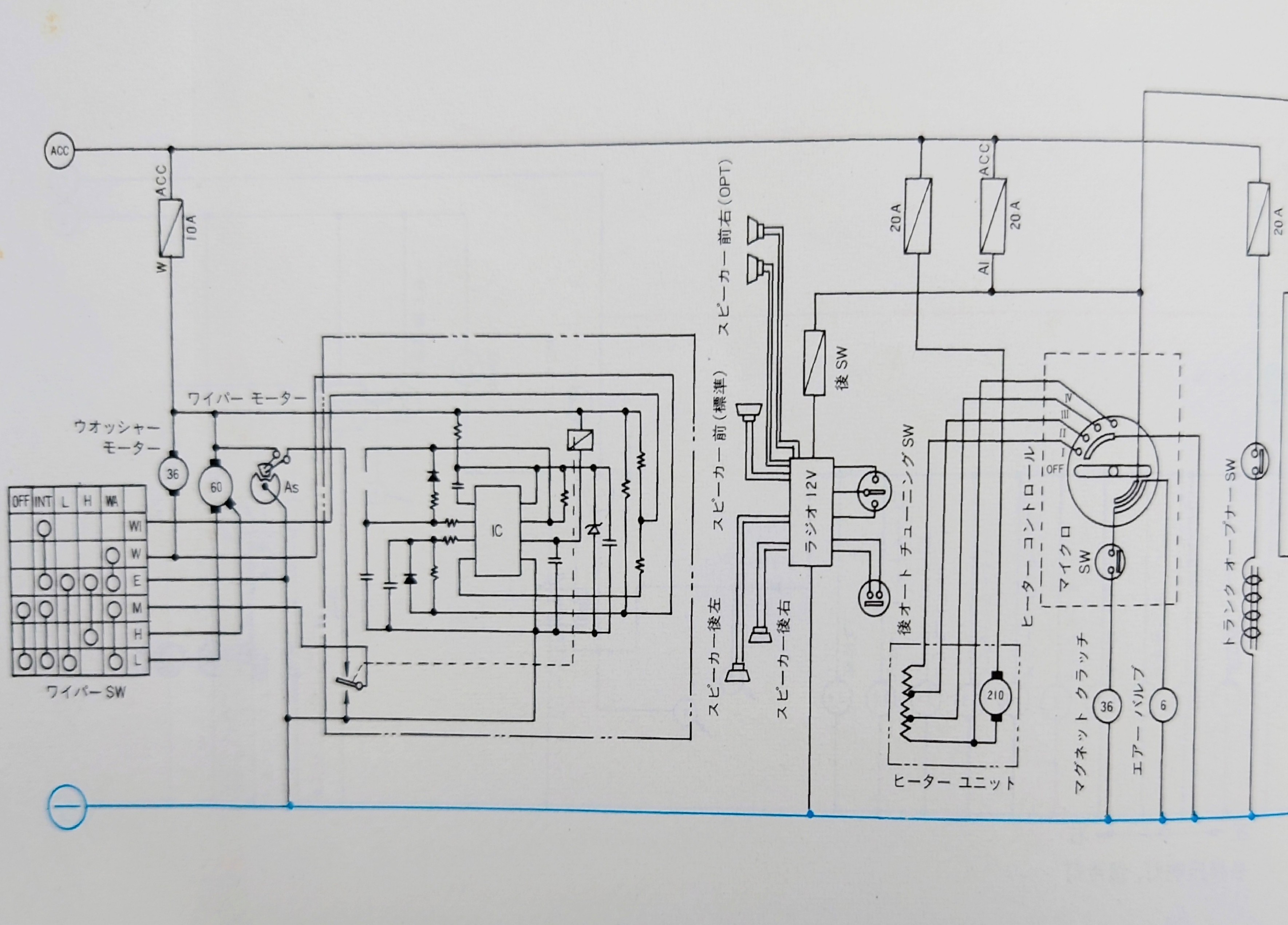
1977年の資料ですが、回路図を見つけたので貼っておきます。リレーも20Aヒューズも見当たらないのが???なのですが、リレーはパーツカタログを見ると運転席右下のウィンカーユニットのそばのリレー群のどれか・・・のようです(誤記もあるようなので、何が正かよくわからない)。キースイッチ:ACC<-->OFFの操作で「カチッ」と音がするハズです。

理論上、@の点検で12V掛かっているならモーター上流は電気が来ていると言えます。Bは上記質問の回答次第ですが、下記のように導通をチェックしてどうか?です。

【モーター下流の確認】
・キースイッチ:OFF
・サーキットテスターのレンジ:抵抗(倍率はX1で良い)
・ファンスイッチ:1〜4(どれでも良い)
・プローブ片方はモーターの端子(どちらでも良い)に当てる
・プローブのもう片方を下記にそれぞれ当て、抵抗値を測る
 A.ファンレジスターの各端子
 B.ファンスイッチのマイナス側(配線の判別が困難ならスキップしてCを測定)
 C.ボディーアース

A〜Cとも導通アリでないとダメです。抵抗値はレジスター端子の位置やファンスイッチ1〜4どれかでだいたい50Ωくらいから0Ωの間の値が出ると思います。これ以下の値ならOKです。無限大はNGです。



1747661619.jpeg
/397KB

全ページ数 / [0] [1] [2] [3] [4] [5] [6] [7] [8] [9] [10] [11] [12] [13] [14] [15] [16] [17] [18] [19] [20] [21] [22] [23] [24] [25] [26] [27] [28] [29] [30] [31] [32] [33] [34] [35] [36] [37] [38] [39] [40] [41] [42] [43] [44] [45] [46] [47] [48] [49] [50] [51] [52] [53] [54] [55] [56] [57] [58] [59] [60] [61] [62] [63] [64] [65] [66] [67]
編集/削除フォーム
記事NO
(半角数字)
削除キー

Pass/ Mode/

- UPP-BOARD -