032575


診察室 - セドリック / グロリア 230 ハンドブック掲示板 -
更新  □ ホーム  □ ヘルプ  □ 検索  □ 過去ログ

230型 セドリック / グロリアを中心に車両不具合相談を受け付けます。トラブル体験談やクルマ以外の書き込みもお気軽にどうぞ。
【お願い】
車両不具合相談での初回書き込みの際、原因の絞り込みを容易にするために、対象車両の仕様情報を必ず添えてください(カルテ等の管理まではしていないので、常連の方もできるだけ案件単位でご協力ください)。


  1. 車名とグレード(カタログやエンブレムなどの標記 例. セドリックGX、グロリアスーパーデラックス)
  2. 車両型式(車検証やモデルナンバープレートの打刻型式 例. 230、H130)
  3. 年式(車検証の初度登録年月など 例.1973年3月)
  4. エンジン型式(車検証やモデルナンバープレートの打刻型式 例. L20、VG20E)
  5. ミッション種類(例. 4速コラムMT)
  6. ボディータイプ(例. 4ドアセダン)

その他車両不具合相談に関するルールについては、「診察室(掲示板)ご利用の関するお願い」をご覧下さい。
ご相談の書き込み後、管理人がレスするまでに一週間程度の時間をいただく場合がありますのでご了承ください。
回答した案件については、今後の回答精度向上のため後日その結果報告のご協力をお願いします。
管理人 ながた

※ホームページ:http://cedglo230hb.kilo.jp/



投稿者
e-Mail
タイトル
削除キー (半角8文字以内)
内容
  • PC版ではコメントエリアを広げることができます(エリア右下の角をドラッグ)。
  
File
  • アップ可能拡張子: /.gif/.jpg/.jpeg/.png/.mid/.mp4
  • 太字の拡張子は画像として認識されます。
  • アップ可能ファイルサイズ:5000KB
  • 1回の投稿でアップできるファイルは1個です。
文字色

[No.317]   普通のナットとは違います
投稿者: ながた(管理人)   (2023/11/14(Tue) 21:33:19)
ボロボロ130さん>ハブのセンタナット(スピンドルナット)はハブベアリングの固定以外にプレロードを調整する役割があるので、締め付けの感覚が通常の固定ボルト/ナットとは根本的に異なります。ナットが手で回ったとしても、締め付け時に手で回して止まったところか、というと全然違うんです。以前の状況がよく分からないので、調整しなおしが良いでしょう。

【調整方法】
事前作業:センタナットを十分緩めてからハブをスピンドルから抜き(少しで良い)、ハブに十分ガタが出た状態にしておく。
1.センタナットをトルクレンチで40N-mで締める
2.ハブを前後方向に2〜3回転させて座りをよくする(回したときに引っ掛かりがないこと)
3.再度センタナットをトルクレンチで40N-mで締める
4.ハブを前後方向に2〜3回転させて座りをよくする(回したときに引っ掛かりがないこと)
5.センタナットを角度で40〜70度緩めた範囲で割ピンを入れる

手順5が完了したナットの位置ではナット自体は比較的緩い状態です。しかし先述の1〜4のようなプロセスを踏んでいることが重要です。



[No.316]   NO TITLE
投稿者: ボロボロ130 (2023/11/14(Tue) 08:25:17)
ながた様 ありがとうございます。
また今度チャレンジしてみようと思います。

センターナットなんですが、バラす前は指で回る程度で閉めてあったのですが、緩いですよね…



[No.315]   レス
投稿者: ながた(管理人)   (2023/11/13(Mon) 20:48:22)
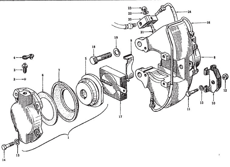
ボロボロ130さん>ハブとロータは一体ではなく、ボルト4本を外すことにより分離できます。ただ、外す順番があります。
@キャリパASSYを外す(ボルト2本)
Aハブ&ロータを外す(センタナット1つ)
Bロータ裏面からボルトを外してハブと分離する(ボルト4本)

したがって、写真の状態ではハブもロータも外れません。
画像をよく見ると、キャリパのシリンダを固定しているボルトは抜けずに残っているのと、センタナットの割ピンが無い状態ですので、これだと明らかに分解する順番が違っているように思えます。

今回の目的が十分理解できていませんが、キャリパASSYを一旦外して単独状態にしてからシリンダのボルトを外すことになります。もちろん、シリンダを外すとブレーキ液が出てきますので油圧ラインはあらかじめ切り離します。

キャリパASSYは裏側からナックルアーム、ナックルスピンドルと共締めのボルトを外します。右キャリパならハンドルを左に目一杯切って、パッドを抜いた後にナックルアームにアクセスし、キャリパ固定用のボルト2本(工具サイズは5/8インチ前後だと思いますが、現物確認してください。また場合によってはナックルアーム前端のボルトも少し緩める必要アリ)を取り外すと、ASSYで外れます。
一応イラストも貼っておきます。ボルト2本と言っているのはイラスト中のド真ん中にある18番のボルトです(1つしか描かれていませんが)。

ハブの分解は不要なはずなのでセンタナットは緩める必要もありません。一旦緩めてしまったようなので、再度締め込みになりますが、トルクの掛け方は決まっていますから気を付けてください。



1699876102.png
/93KB

[No.314]   取り急ぎレス
投稿者: ながた(管理人)   (2023/11/13(Mon) 01:12:51)
ボロボロ130さん>はじめまして。一体ではなく、ロータは単独で外れますが、正式回答は後日とさせてください。


佐藤さん>ありがとうございます。慣れは多少あるかもしれませんね。



[No.313]   あらためて乗ってみて
投稿者: 佐藤   (2023/11/12(Sun) 22:18:47)
ながた様こんばんは。投稿コーナーもちろんOKです。ありがとうございます。
また、前回従来と遜色なく、と記しましたが、あらためて乗ってみると倍力作用が強いのか(新品だから?)ペダルタッチが少々軽めになり、普段通りの力加減で踏むと思いがけない強めのブレーキになるかもしれません。個体差や慣れの問題かもしれませんが…。以上よろしくお願い致します。



[No.312]   これは保存版にさせてください
投稿者: ながた(管理人)   (2023/11/12(Sun) 21:10:57)
佐藤さん>書き込みありがとうございます。30年くらい前は「マスタバックなんて壊れる(徐々に性能が落ちる)ものではない」という認識でしたが、多走行車から徐々に聞くようになりました。ダイヤフラム劣化⇒破れは仕方ないと思います。

S130のダイヤフラムサイズが230ディスクブレーキ車と同じのは知っていましたが、リプロ品があるのですね。プッシュロッド問題をクリアできればアリだと思います。でもモノがモノだけに結構お値段張りますね。中古良品よりZとかスカイライン系と近い部品はこういうもので対処したいです。

あとピストンキットの画像も助かります。これはモノタロウでは取扱終了ですけど、ほかで入手できそうです。
マスタバック側のプッシュロッドが230用のままの場合は、新ピストンのほうに内径にギリで合う径サイズのボルト等を切ってエポキシ接着剤等で固定するやりかたで「詰め物」をすれば何とか使えたハズです。
トキコ製のシリンダは、個人的にはピストンキットではなく、カップキットが残っていれば共通性が増すし安価なのでありがたいのですが、どこも廃止されてしまっています。
私の230も2台とも(トキコ/ナブコそれぞれ)前回O/Hから間もなく15年なので、いよいよなんですよね。

という事で、本件は「投稿コーナー」に採用させていただきたく、よろしくお願いします。



[No.311]   NO TITLE
投稿者: ボロボロ130 (2023/11/12(Sun) 12:47:38)
すみません、さっきの投稿のものです。
車種名・グレード名:セドリック スペシャルsix
車両型式:H130
年式:1971年
エンジン型式:
ミッション種類:コラム3MT+OD
ボディータイプ 4ドアセダン

記載し忘れました。すみません。



[No.310]   フロントキャリパー
投稿者: ボロボロ130 (2023/11/12(Sun) 12:43:23)
初めまして
最近H130セドリックを手に入れたのですが、
フロントのブレーキローターってハブと一体ものですか?
固着しているのか一体ものなのかが分からず…
ブレーキキャリパーのピストンのネジを修理しようとしたのですが周りの部品が外れず…



1699760530410497252912550692880.jpg
/1308KB

[No.309]   マスタバック交換
投稿者: 佐藤   (2023/11/11(Sat) 19:19:42)
ながた様こんばんは。いつも勉強させていただいております。
さて先日我が愛車のマスタバックが故障しました。友人の事例やこちらの掲示板の書き込みなどの事例で見聞きはしておりましたが、とうとう我が愛車でも起こったか、という感じです。
この様にエアが漏れるばかりで制動力がなくなってしまいました。

幸い予備を持っていたのでそれで応急対応はしましたが、この予備部品も似たような時期に生産されたものであり、そう遠くない内に同様の不調をきたして使用不能に陥ることは目に見えておりました。
中古品を取り寄せて使おうともこれも一時凌ぎにしかならないだろう、取り寄せても必ずしも正常品とは限らないだろうと思い、何か新品で小加工にて使用できるものは無いかと模索しましたところ、S130フェアレディZ前期型用マスタバックのリプロ品が見つかりました。リプロ品というと品質や耐久性など気になりますが、さすがに純正とはいえ50年前のマスタバックよりマシであろうと思い、少々値は張りましたが取り寄せてみました。

https://www.restore-parts.com/ja/item/ca0122/
当方が取り寄せたショップとは違いますが同一品です。

こちらメイドイン台湾でマスタバック本体サイズは同一、バルクヘッドへの取り付けボルトの配置間隔やマスタシリンダの取付ボルト間隔も同一で
相違点はバキュームホース差込口が230の物の対角の向かって左上の位置にあり、どうやらこれにはチェックバルブが内蔵されております。
また、S130の物ですので230に用いる場合はマスタシリンダ側を長いプッシュロッドに対応させねばなりませんが、自分の場合は数年前に写真の330用ピストンキットに交換してありますのでそのまま取り付けしました。このピストンキットはトキコのシリンダに対応したものですがまだ新品購入できます。ナブコの場合は330の物でしたら高価にはなりますがまだASSYが出ますね。
プッシュロッドだけ交換するというやり方も整備書に記載がありますが、失敗してオシャカにしてしまいそうでコワいので出来れば避けたいですね…汗
さて交換して試運転もしてまいりましたが、特に異常もなく従来の物とも遜色なく使用できております。
後は何年もつか…これでしばらく使用を続けて様子を見て、何か異常がございましたらばまたお知らせさせていただこうと思います。
皆様の参考になれば幸いに存じます。宜しくお願い致します。



vlcsnap-2023-11-11-18h10m59s436.jpg
/2043KB

[No.308]   リヤアクスルシャフトオイルシール
投稿者: ながた(管理人)   (2023/10/29(Sun) 22:00:25)
漏れる前に交換をお勧めする部品です。ここがダメになるとデフオイルが漏れだすのですが、ちょっと漏れるルートが始末悪い・・・
オイルシールを越えたデフオイルは、リヤアクスルベアリングの中を通過して、ブレーキドラムの中に入ります。なかなか外に出てこないで、中を引っ掻き回してしまう・・・

・ベアリング:デフオイルが浸入し、中のグリスを流してしまいます。粘度の高いデフオイルですから、すぐに異常はおきませんが、ベアリングの寿命は確実に縮まります。
・ブレーキ:ドラム内にデフオイルが漏れると、まずライニングに付着、制動力に異常が出ます。初期はサイドブレーキ解除時にライニングがドラムに貼り付き、動き出した時に「バキッ」という音が出るようになります。

こうなってしまうと、オイルシール交換以外にベアリングとシューも交換です。
ベアリング交換は結構面倒で、特殊工具(ディーラーでもあまり持っていない)とプレス機が必要。力技が必要な作業とも言えます。

という事で、ブレーキチューブを外す作業があったので、ついでに交換しました。部品は日産純正ではなく武蔵オイルシール製。打ち込む際は「均等に」がポイント。まぁ、オイルシールはみんなそうです。



20231029.png
/3813KB

全ページ数 / [0] [1] [2] [3] [4] [5] [6] [7] [8] [9] [10] [11] [12] [13] [14] [15] [16] [17] [18] [19] [20] [21] [22] [23] [24] [25] [26] [27] [28] [29] [30] [31] [32] [33] [34] [35] [36] [37] [38] [39] [40] [41] [42] [43] [44] [45] [46] [47] [48] [49] [50] [51] [52] [53] [54] [55] [56] [57] [58] [59] [60] [61] [62] [63] [64] [65] [66] [67]
編集/削除フォーム
記事NO
(半角数字)
削除キー

Pass/ Mode/

- UPP-BOARD -