032575


診察室 - セドリック / グロリア 230 ハンドブック掲示板 -
更新  □ ホーム  □ ヘルプ  □ 検索  □ 過去ログ

230型 セドリック / グロリアを中心に車両不具合相談を受け付けます。トラブル体験談やクルマ以外の書き込みもお気軽にどうぞ。
【お願い】
車両不具合相談での初回書き込みの際、原因の絞り込みを容易にするために、対象車両の仕様情報を必ず添えてください(カルテ等の管理まではしていないので、常連の方もできるだけ案件単位でご協力ください)。


  1. 車名とグレード(カタログやエンブレムなどの標記 例. セドリックGX、グロリアスーパーデラックス)
  2. 車両型式(車検証やモデルナンバープレートの打刻型式 例. 230、H130)
  3. 年式(車検証の初度登録年月など 例.1973年3月)
  4. エンジン型式(車検証やモデルナンバープレートの打刻型式 例. L20、VG20E)
  5. ミッション種類(例. 4速コラムMT)
  6. ボディータイプ(例. 4ドアセダン)

その他車両不具合相談に関するルールについては、「診察室(掲示板)ご利用の関するお願い」をご覧下さい。
ご相談の書き込み後、管理人がレスするまでに一週間程度の時間をいただく場合がありますのでご了承ください。
回答した案件については、今後の回答精度向上のため後日その結果報告のご協力をお願いします。
管理人 ながた

※ホームページ:http://cedglo230hb.kilo.jp/



投稿者
e-Mail
タイトル
削除キー (半角8文字以内)
内容
  • PC版ではコメントエリアを広げることができます(エリア右下の角をドラッグ)。
  
File
  • アップ可能拡張子: /.gif/.jpg/.jpeg/.png/.mid/.mp4
  • 太字の拡張子は画像として認識されます。
  • アップ可能ファイルサイズ:5000KB
  • 1回の投稿でアップできるファイルは1個です。
文字色

[No.152]   こんばんは。
投稿者: よう   (2022/09/06(Tue) 18:01:28)
管理人様
お世話になっております。

クーラーガスが2ヶ月を待たずに抜けてしまいまして…車内の熱さに負けて乗る頻度が急下降となっております。
管理人様をはじめ、こちらで携わられてる皆様も夏バテで体調を崩さないようお気を付けください。

今回はウインカーのフラッシャユニットについて質問をさせてください。
当方の230前期型用のフラッシャユニットと、後期型用は互換性はございますでしょうか?
他車からの流用等の情報もございましたら、併せてご教示していただけると助かります。
よろしくお願いいたします。



[No.151]   そうかもしれません
投稿者: ながた(管理人)   (2022/08/19(Fri) 00:19:45)
よしさん>前回レスで書き忘れましたが、ブーツ類、ブッシュ類の新品は全滅です。すべて別の部品で代用しなければなりません。機能的にはオイル漏れさえしなければ使えるとは思いますが。
電動パワステにできたら良いですね。また何かありましたら書き込んでください。



[No.149]   電動パワステが近道かも
投稿者: よし (2022/08/18(Thu) 14:50:53)
丁寧に回答をありがとうございました。

ヤフオクに出てる230用のパーツ類で、およそ使えそうな感じではありますが、そもそも機能が生きてない可能性があり、ホース接続のピッチの問題など、課題がありそうです。

そうなると、コラムシフトのシャフトを1,2数センチ逃がす加工で、電動パワステ移植の方が、近道かもしれませんね。

とても参考になる情報をありがとうございました。



[No.148]   行ける可能性は大だが懸念点アリ
投稿者: ながた(管理人)   (2022/08/18(Thu) 11:05:12)
よしさん>はじめまして。セドグロの重ステは比較的軽いほう(私の妻も130重ステ車はタマに運転していた(笑))なのですが、やはり据え切りまたは極低速時は重いですね。130後期の後期(最終型)と230はフロントの足回りは結構共通なんです。これは重量の増加した330より共通性が高いと言えますが、注意点はネジ規格が違う点。見た目が同一でもネジが130はインチ、230はミリ(部位によって例外アリ)のネジ規格を基本としています。(エンジンやミッションは車両単位ではなくユニット単位で設計されているので、130最終型はミリネジです)

130に230以降の部品を使う時はこれに気を付ける必要があります。一応メーカー資料では互換性無しとなっていますが行けそうな可能性はあります。部位ごとに挙げると下記です。

1. サイドロッド(タイロッド):接合部を含めて共通
2. クロスロッド(左右タイロッドを繋ぐロッド):PS付きのみ230専用品(形状が少し違う?)
3. コントロールバルブ、パワーシリンダ、ホース、ポンプ:ホースのネジ違い
4. パワーシリンダブラケット(車体側に固定するブラケット):130には不要(すでに溶接で付いているはず)
5. ギヤボックス:130側が衝撃吸収ステアリングコラム(Opt設定)でなければ、130用を再使用すべき
6. ギヤアーム:230専用品(形状が少し違う)
7. アイドラアーム:230専用品だが、相違点は多分ネジ規格違いなだけ?(形状が少し違う可能性アリ)
8. ポンプブラケット、アイドラプーリ:共通
9. エンジン本体に固定されている燃料パイプ:共通

懸念点は2と6、7です。
多少形状が違う可能性があり、これが影響して付きそうで付かない可能性も否定できません。ただ、全部230用で揃えると行ける可能性もあります。

試してみる、というならば、まずはギヤアーム、コントロールバルブ、クロスロッド、アイドラアームが無理なく連結できるか、で判断して良いと思います。
ギヤアームのナットはかなり高トルクで締まっていますので、手作業でやるなら延長パイプを噛ます必要があるでしょう。



[No.147]   130セドリックにパワステ
投稿者: よし (2022/08/17(Wed) 19:21:09)   URL: http://https://page.auctions.yahoo.co.jp/jp/auction/l1058312299
はじめて投稿させていただきます。
宜しくお願いします。
130セドリックですが、パワーステアリングを取り付けいたしたく思案しております。

スズキの電動パワステを加工しシャフトに溶接、流用しようと考えましたが
コラムシフトのシャフトとのクリアランスが無く、難しいように思います

純正が見つかればベストなのですが、なかなか出てきません。

現在、オークション230用のパワステパーツが出ているようなのですが、130とは形状の問題などもあるでしょうし躊躇しております。

良きアドバイスなどありましたら宜しくお願いします。

130 セドリック
H130
初度登録 昭和46年
L20
4速コラムMT
4ドアセダン



[No.144]   予想していた状況とかなり違いました
投稿者: ながた(管理人)   (2022/08/13(Sat) 10:12:11)
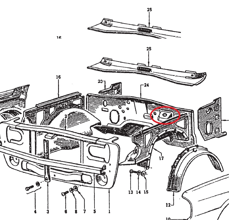
130さん>ワイパーモータの台座ということで、モーターのブラケット部分と推測していました(先日貼った「2」のところ)が、そうではなく、モーターの先に付くリンケージが回転するスペースとなる部分がカットされているようです。
一番下にある添付イラストの赤枠部分です。たしかここはスポット溶接で固定されているので、わざわざこれを剥がして撤去、ステン板等で蓋をした形跡があります。
当サイトで掲示している画像で、その周辺が写っているものがあるので参考までに貼っておきます。違う話のページからの引用ですので黄色い丸は無視してください。


そして撤去した理由はソレックスキャブの装着で干渉してしまうからでしょう。しかしこれでは車検に通りませんね。
ということで、キャブとの干渉問題をクリアしなければ先に進められないと思います。後期130でソレックスを積んでいる事例はあったような記憶があるものの、この部分の処理は記憶になく申し訳ありませんがコメントができません。できればソレックス以外のキャブに変更するのがベストです。そして赤丸のボックス状の部分を部品取車等から移植することになりそうです。
または、このボックス状の部分を作らずに、いま蓋をしてある板(板厚が薄ければ板交換が必要)に穴をあけてモーターを直接固定することもできそうです。ただし、リンケージの角度が変わるので加工する必要があります。

他車のワイパーモーターで流用できるか、ですが「流用」とは加工無しでポン付けしても使える、が前提ですから、それだと多分無いと思います。可能性があるのは同時設計の150プレジかなと。でもこれはタマ数が少なすぎます。何らかの加工、変更と伴う改造が必要です。具体的には取り付け部分と配線(端子配列など)は変更が必要かと思います。230か330のワイパーモーターを少し加工すれば移植できそうな感じではありますが。



1660353131.jpg
/208KB

[No.143]   追伸
投稿者: 130 (2022/08/12(Fri) 23:41:02)
他車のワイパーモーターの流用は可能でしょうか?


[No.142]   有難う御座います。
投稿者: 130 (2022/08/12(Fri) 17:51:46)
車屋さんに相談しながら何とか頑張ってみます。
現状、こんな感じです。
何かアドバイスが有ればお願いします。

宜しくお願い致します。



E4BED36D-A6CE-496B-91FB-4EFD8CBFDCFA.jpeg
/2859KB

[No.141]   スターター故障
投稿者: ながた(管理人)   (2022/08/11(Thu) 23:37:03)
なんか最近よく壊れます(苦笑)
黒GXで2か月くらい前から、タマに(暖機後リスタートで多い)スタータが回らなくなる事があり、何度かキースイッチをON<-->STARTを繰り返せば急に復活していましたが、2週間くらい前から常時現象が出て始動不能となりました。
状況としては次のような感じ。
・キースイッチ位置:STARTでもスタータはウントもスンとも言わない(=スタータのピニオンが飛び出さない)
・バッテリはビンビンだぜ!(RCサクセションか(笑))
・警告灯の明るさを見ると、キースイッチ:START時に少し暗くなる(=マグネットスイッチは通電している?)
・マグネットスイッチのS端子(キースイッチから来る線)は12V来る
・ジャンパー線でS端子に直に12Vかけても火花が飛ぶが、作動しない

ということでマグネットスイッチに問題がある模様。
このスタータはL20用ではなくZ20用の中古を20年位前に装着したものです。部品番号は「23300-W0403」でE24キャラバン、D21・D22ダットラなどのZ20エンジン用、一部NA20などにも使用されています。
これを2個持っていましたので、マグネットスイッチだけ入れ替えて修理、不具合は解消しました。

画像上段はスタータが3つ載っているうち、一番奥がノーマルの230・L20用。角度の関係で一番小さく見えますが、コイツが一番大きく、Z20用は特に全長が短いです。使った感じでは性能的に全く問題なし。もう20年くらい使い続けていますが不足はないです。

画像下段はマグネットスイッチの単品テスト。通電させてもプランジャを引っ張る力がなんだか弱い、中のプルインコイルが半ショートしているのか? スタータ系のコイルは大電流が流れるので、抵抗値もエラく小さいです。1オーム弱なので、2つの部品を測定、比較してもショートかどうかはよくわかりませんでした。



20220811.jpg
/488KB

[No.140]   自作できそうです
投稿者: ながた(管理人)   (2022/07/30(Sat) 23:26:02)
130さん>はじめまして。130のワイパーモーターとそのブラケットの図を載せておきます。
「2」の部分が無いということでよろしいでしょうか。
ココは車両のボディー形状に合わせているので、基本的には他車流用はできません。自作できませんかね。
モーターの固定とボディーの固定双方を行いますので、ネジの向きが180度違います。モーター固定ネジの頭の分だけボディーから浮かせる必要がありますが、例えば板厚3mmと1mmのアルミ板あたりを組み合わせて作成できそうです。
この部分は装着後は目立ちませんので多少曲がっても大した問題にはならないように思います。

なお、ここが無いということは固定ネジも無いということですよね。130ですから、ミリネジでない可能性が大です。モーターはもしかしたらミリネジかもしれませんが、ボディー側は高確率でインチです。ホームセンターではインチネジはあったとしても建築用の並目ネジしかないハズ。自動車用は細目ネジです。ネジ屋で購入するか、思い切って一回り大きいサイズのミリのタップでねじ立てし直すことになるかと思います。
ブラケットを上記案で自作した場合、ネジは純正では短いと思うので、純正が購入できたとしても使えないかもしれません。



1659191162.jpg
/64KB

全ページ数 / [0] [1] [2] [3] [4] [5] [6] [7] [8] [9] [10] [11] [12] [13] [14] [15] [16] [17] [18] [19] [20] [21] [22] [23] [24] [25] [26] [27] [28] [29] [30] [31] [32] [33] [34] [35] [36] [37] [38] [39] [40] [41] [42] [43] [44] [45] [46] [47] [48] [49] [50] [51] [52] [53] [54] [55] [56] [57] [58] [59] [60] [61] [62] [63] [64] [65] [66] [67]
編集/削除フォーム
記事NO
(半角数字)
削除キー

Pass/ Mode/

- UPP-BOARD -